このブロックは画面サイズによって見た目が変化する特殊なブロックです
※編集・削除ができる項目も画面サイズによって異なります
詳細はヘルプページの「フローティングメニューブロックの編集」をご確認ください
乾燥炉/硬化炉/自動機はこちら
お問い合わせ
2液混合真空注型機
リーズナブルに
御社独自の製品製造に合った
オーダー真空注型機を設計
問い合わせはこちら
独自の注型方法に完全カスタマイズ
御社としっかりとした打合せを行い、御社独自の仕様に合わせた真空注型機を完成させます。
また、注型機周りの搬送関連も希望に応じて作成し、乾燥炉(硬化炉等の炉)も御社仕様のものを設計製作いたします。
Vactec日本総代理
― credible ―
VACTEC社は中国福建省厦門市(あもいし)に本店所在地をを置き、真空注型機の実績は1000台を超え世界各国に納品している会社です。根幹の重要部品はドイツ製を使用し、PLCは日本製を使用している為、信頼できる確かな製品力がVACTEC社にはあります。そして当然価格は他企業より遥にリーズナブルな価格です。
弊社はVactec社の日本総代理人です。
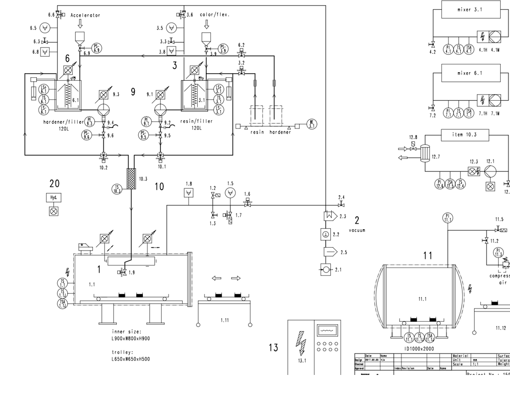
装置説明
装置全体イメージ
左記の画像は装置のダイアグラムとなり、御社の仕様に従い、見積提出の際に提示いたします。
標準的なフローは
1.真空差圧によりドラム缶等よりミキシングタンクに樹脂を注入
2.ミキシングタンクで脱泡
3.吐出ポンプにて計量吐出
4.スタティックミキサーにより樹脂混合
5.注型ノズルより注型
ミキシングタンク/吐出ポンプ
【ミキシングタンク】
ミキシングタンクは、底が平底タイプの薄膜脱泡方式と、底が円錐タイプの循環脱泡方式があります。それぞれに特徴がありますので、御社の仕様に合わせて選択できます。また、混合ミキサーは標準的にはスタティクミキサーを使用し、環境保全に優れ材料のロスも低下させます。
【吐出ポンプ】
吐出ポンプは御社の樹脂材料に充填剤を混ぜている場合は、SIC製のポンプを使用し充填剤による摩耗を低減させます。吐出ポンプの吐出精度も非常に高く、御社の仕様に合わせて細かく設定できます。
注型槽/真空技術
御社製品の製造過程において、製品の品質向上の為に真空にて注型する場合は真空注型槽を備え付けます。また、細かい製品を大量に製造する場合など、注型槽に搬送設備を設置し、自動で製品の搬送を行います。
注型ノズル
右記の画像のように、ノズルを360度回転させたり、X軸Y軸方向に動かすことが出来るので、注型槽のどこに注型口があってもノズル先端をプログラムで動かし注型することが出来ます。
また、ノズルは複数に分岐する事が可能の為、生産性を飛躍的に伸ばすことも可能です。
Gallery
設計実例
実際のスライダーの動きは、プレビュー/公開ページでご確認ください
VACTEC動画イメージ
装置バラエティー
注型機本体、搬送装置、硬化炉(乾燥炉、予熱炉)は、大型装置から小型装置まで様々な種類を製造しております。現在手作業で行っていて、装置導入の必要性を感じていない企業様も、一度無料見積を取って頂き、人件費等との比較を気軽に行ってみてください。
導入企業様の声
海外製で不安でしたがサポートも問題ない
メンテナンス、サポート面が当初不安でした。しかし、WEBの進歩により、日本語から中国語へ自動変換するアプリを使い、普通に日本語でメーカーに問い合わせして問題を解決できています。また、日本にメンテナンスをしてくれる日本企業もあり安心です。
相見積を取りましたが価格が全く違いました
他社とも相見積をとりましたが価格は全く違いました。正直半額以下でした。これだけ価格が低いと装置の品質が低いのかとも思いましたが、重要部品はドイツや日本製で、全く問題なく、中国の工場も見学に行きましたが、整理整頓された綺麗な工場で、現場の作業員の方も真面目でしっかりとした仕事をしていました。
表示したいテキスト
ここをクリックして表示したいテキストを入力してください。テキストは「右寄せ」「中央寄せ」「左寄せ」といった整列方向、「太字」「斜体」「下線」「取り消し線」、「文字サイズ」「文字色」「文字の背景色」など細かく編集することができます。
乾燥炉/硬化炉/自動機はこちら
日本製の自動機、乾燥炉、硬化炉等も取り扱いしております。
自動機/乾燥炉/硬化炉
オンライン相談会
Online consultation at home
web会議にてオンラインでご相談が可能です。
弊社取り扱い商品のご説明や、御社の仕様を聞いて見積作成まで無料で行います。
オンライン相談の流れ
STEP 1
お問い合わせ
まずは、下記お問い合わせフォームより、お問い合わせください。
STEP 2
ご相談日の日程調整
ご希望の連絡方法にて日程調整のご連絡をさせて頂きます。
STEP 3
オンライン相談
当日こちらより、オンライン会議用のアドレスをお送りします。
STEP 3
小見出し
ここをクリックして表示したいテキストを入力してください。テキストは「右寄せ」「中央寄せ」「左寄せ」といった整列方向、「太字」「斜体」「下線」「取り消し線」、「文字サイズ」「文字色」「文字の背景色」など細かく編集することができます。
御社への訪問打合せも全国可能
下記問い合わせフォームより訪問希望をお選びいただいた場合、全国ご訪問致します。
お問い合わせ・訪問希望(全国ご説明に伺います)
お問い合わせ・ご訪問希望の方は、下記のお問い合わせフォームにご記入いただきご連絡ください。担当者よりご連絡差し上げます。
フォームから送信された内容はマイページの「フォーム」ボタンから確認できます。
Message
お問い合わせ項目
オンライン相談申し込み
訪問希望
お問い合わせ
御社名
お名前
お電話番号
メールアドレス
送信したメールアドレスでお知らせ配信に登録する
ご希望の連絡方法
メール
電話
お問い合わせ内容
送信
利用規約・プライバシーポリシーをお読みの上、同意して送信して下さい。
〒167-0023 東京都杉並区上井草2-20-2
d.mizutani@welltec-jp.com
営業時間 9:00-18:00(定休日:日曜日)